EATON VICKERS DGMC DGMC2 Pilot Manövrerad Avlastning Ventiler DGMC-3-PT-BW-41D DGMC2-3-AB-BWBABW-41
DGMC Relief valveDGMC2 Dual relief valveDGMDC Direct checkDGMPC Pilot operated checkDGMFN Flow controlDGMR CounterbalanceThe general rule for this group is thatthe DGMC relief valve be placednearest the subplate or manifold.The DGMDC direct check valve shouldbe placed nearest the directionalcontrol valve.The DGMR1 sequence valve should bethe farthest valve from the directionalvalve. The DGMR1 must be mounteddirectly to a subplate or manifold with adrain port, to externally drain theDGMR1 at the mounting face.

Vi leverans topp tillverkare komponenter som, Bosch Rexroth, Rexroth
Indramat, Parker Hannifin, Moog, Eaton Vickers, Denison, Hawe, Sunfab, Yuken, Hydac, Kawasaki/KPM, Staffa, Voith, Sauer Danfoss, Hydro Leduc, Calzoni, Atos, Bucher, Oilgear, Tokyo Keiki, Schneider KREUZNACH, Linde, Marzocchi, Eckerle, HBM, Siemens, Schneider Electronic, Sick, Baumer, Herion, Norgren, Aventics .....
Känn dig fri förfrågan oss snälla om du är intresserad av vår försäljning. BAILE HYDRAULIC är din trevlig
partner i resurs av hydraulik och elektronik. mer detalj, snälla besök oss
R
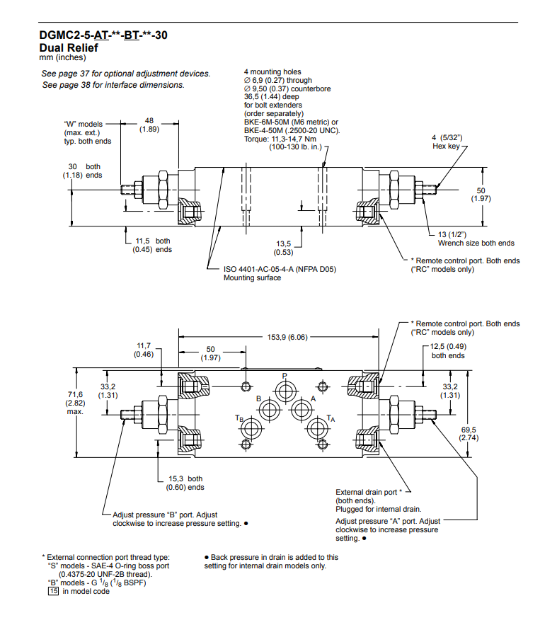
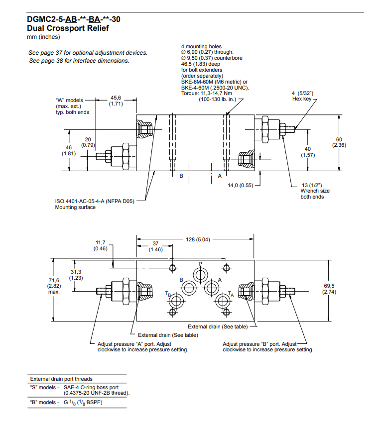
| EATON VICKERS DGMC DGMC2 Pilot Manövrerad Avlastning Ventiler |






|
|
DG4V-3-0AMUA6-60 DG4V.3-0A-M-UED6-60 DG4V3-0AMUG7-60 DG4V3-0A-MU-H7-60 DG4V-3-0B-MUA6-60 DG4V-30BMUED6-60 DG4V30B-MUG7-60 DG4V-30B-MU-H7-60 DG4V30CMU-A6-60 DG4V-3-0CMUED6-60DG4V3-0CM-UG7-60 DG4V30CMU-H7-60 DG4V-3-2AMUA6-60 DG4V-3-2A-M-UED6-60 DG4V-3-2A-MU-G7-60 DG4V3-2A-MUH7-60 DG4V-3-2B-MU-A6-60 DG4V-3-2B-M-U-ED6-60 DG4V-3-2B-MUG760 DG4V-3-2B-MUH760 DG4V3-2CMU-A6-60 DG4V-3-2CMUED6-60 DG4V-3-2CMUG7-60 DG4V3-2C-MU-H7-60 DG4V3-2N-MUA6-60 DG4V3-2N-M-UED6-60 DG4V3-2N-MUG760 DG4V3-2N-MU-H7-60 DG4V36CM-UA6-60 DG4V-3-6C-MUED6-60 DG4V3-6CM-UG7-60 DG4V-36CMU-H7-60 DG4V3-8CVMUA6-61 DG4V3-8CVMUED6-61 DG4V3-8CVMUG7-61 DG4V-3-8CVMUH761
DGMC-3-PT-BW-41DGMC-3-PT-CW-41 DGMC-3-PT-GW-41
DGMC-3-ATGW-41
DGMC2-3-AB-BWBABW-41 DGMC2-3-AB-CWBACW-41 DGMC2-3-AB-GWBA-GW-41
DGMC23-}AT-CWBT-CW-4 DGMA-3-B-10
DGMA-3-C1-10
DGMA-3-C210
DGAM-3-01-10R
DGMDC3-YPK-41
DGMDC-3-XTK-4
DGMPC-3-ABK-41
DGMPC-3BAK-40
DGMPC-3-ABK-BAK-41
DGMFN-3-ZPTW-41
DGMFN-3-ZP2W-41
DGMFN-3-ZT1W-41
DGMFN-3-XA2W-41
DGMFN-3-X-AWB1W-41
DGMFN-3-X-A2WB2W-41
DGMFN-3-YATWB1W-41
DGMFN-3-YA2W-B2W-41
DGMX2-3-PA-BW-B-40DGMX2-3-PAFW-B-40
DGMX2-3-PB-CWB-40
DGMX2-3-PPAWB-40 DGMX2-3-PPBWB-40} DGMX2-3-PPCWB-40 DGMX2-3-PPFWB-40
Populära Taggar: Eaton Vickers DGMC DGMC2 Pilot Manövrerad Avlastning Ventiler DGMC-3-PT-BW-41D DGMC2-3-ab-BWBb-41















